警告

これは、古いバージョンのドキュメントです。 最新の情報をご覧になりたい場合は、次をご覧ください。 5.4 .

フロントライト

フロントライトはオプションですが、用途によっては必要な場合もあります。これは通常、ピッキング可能な部品を正しく識別するために、部品の上面を観察する必要がある場合です。

../../_images/type_of_lighting_available.png

図 38 利用可能な照明の種類

注釈

詳細は 各種の照明の効果 を参照してください。

フロントライトの種類は、アジキューブの大きさによって異なります。

表 8 アジキューブの照明

アジキューブのモデル

フロントライトタイプ

Asycube 50

DOAL 100

Asycube 80

DOAL 100

Asycube 240

Flat dome 400x300

Asycube 380

Flat dome 500x400

Asycube 530

Bars lighting

注釈

CAD モデルは、ダウンロード可能な EYE+ キットの CAD ファイル に含まれています。

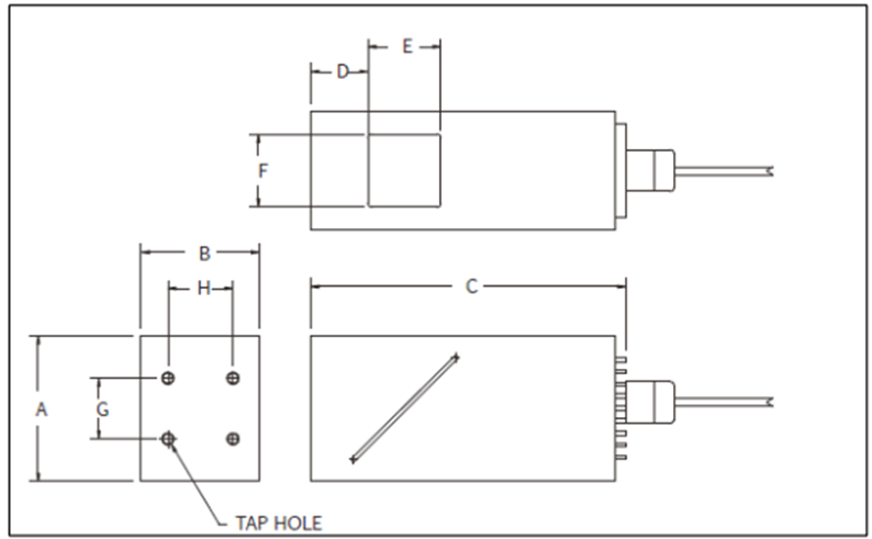
DOAL(Asycube 50/80)

サイズ

表 9 DOAL サイズ [mm]

DOAL 100

A

123.8

B

120

C

168.7

D

18.2

E

100

F

100

G, H

50

M5 x 6

VDC [V]

24

I [mA]

570 | 945

R

G、B、W

重量

1.2 kg

../../_images/DOAL_dimensions.png

図 39 DOALサイズ

フロントライトの取り付け

フロントライトは、4つの M5 タップ穴を使用して、アジキューブプレートに対して中央に取り付ける必要があります。カメラも同様に中央に取り付け、レンズの先端がフロントライトより 5~10mm 上になるようにします。

Flat dome(Asycube 240/380)

サイズ

表 10 Flat dome サイズ [mm]

Flat dome 400x300

Flat dome 500x400

A

43.2

43.2

B

340

440

C

440

540

D

Ø40

Ø50

E

35

35

F

25

25

G, H

45

45

M6 x 5

M6 x 5

VDC [V]

24

24

I [mA]

3500

3500

R、G、B、W、IR

R、W

重量

4.3 kg

7 kg

../../_images/flat_dome_dimensions.png

図 40 Flat dome サイズ

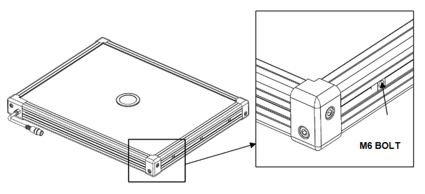
フロントライトの取り付け

フラットドームには 6本の M6 ボルトが付属しており、全周(両側) のナットに自由に差し込むことができます。フロントライトはアジキューブプレートに対して中央に取り付ける必要があります。カメラも同様に中央に取り付け、レンズの先端がフロントライトから 5~10mm 上になるようにします。

../../_images/flat_dome_mounting.png

図 41 Flat dome 取付穴

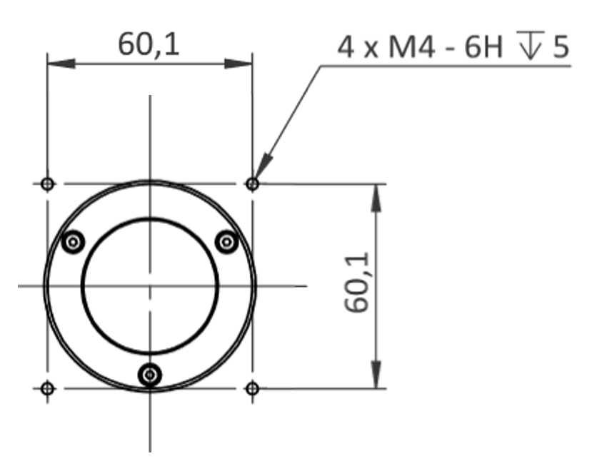
カメラサポートを取り付けるには、カメラ開口部の周囲にある 4つの M4 穴を使用します。

重要

カメラ取付固定用ネジの長さは、M4 ネジで 4.5mm 以上貫通してはいけません。長すぎるネジを使用すると、フロントライトや EYE+ Controller を損傷する可能性があります。

../../_images/flat_dome_camera_mounting.png

図 42 Flat dome カメラサポート取付穴

Bars lighting(Asycube 530)

サイズ

表 11 Bars lighting サイズ

Bars lighting

VDC [V]

24

I [mA]

3200

R

重量

6.5 kg

../../_images/Bars_lighting_dimensions.png

図 43 Bar light サイズ

フロントライトの取り付け

バー照明には、カメラを固定するための取付用ブラケット、ケーブルと M12 コネクタが付属しています。