Warnung

Sie lesen eine alte Version dieser Dokumentation. Wenn Sie aktuelle Informationen wünschen, schauen Sie bitte unter 5.4 .

Auflicht

Obwohl es optional ist, kann für einige Anwendungen ein Auflicht erforderlich sein. Dies ist typischerweise der Fall, wenn die Oberseite der Teile sichtbar sein muss, damit die entnehmbaren Teile korrekt identifiziert werden können.

../../_images/type_of_lighting_available.png

Abb. 38 Verfügbare Beleuchtungsarten

Bemerkung

Weitere Informationen finden Sie im Abschnitt Auswirkung der verschiedenen Beleuchtungsarten.

Die Art des Auflichts hängt von der Grösse Ihres Asycubes ab.

Tab. 8 Asycube-Beleuchtung

Asycube-Modell

Art des Auflichts

Asycube 50

DOAL 100

Asycube 80

DOAL 100

Asycube 240

Flat dome 400x300

Asycube 380

Flat dome 500x400

Asycube 530

Balkenbeleuchtung

Bemerkung

CAD-Modelle sind in den EYE+ Kit CAD-Dateien enthalten, die zum Download zur Verfügung stehen.

DOAL (Asycube 50/80)

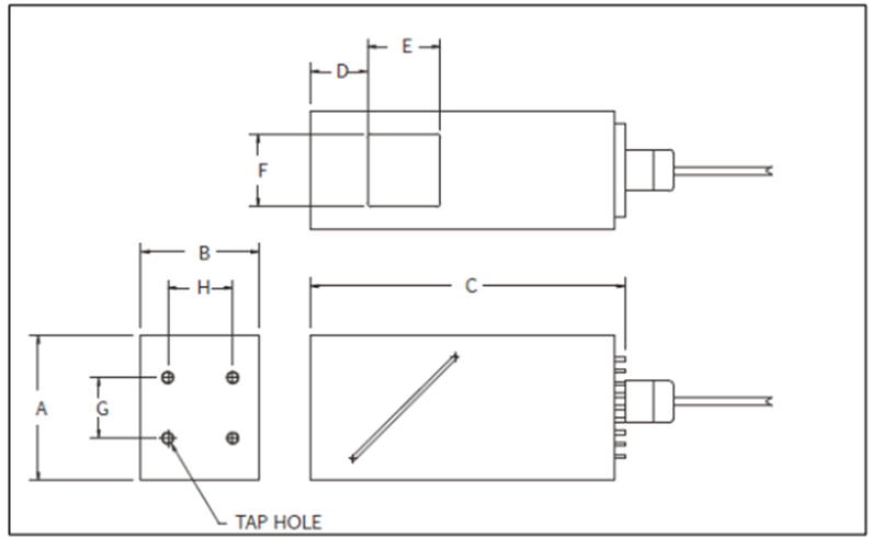
Abmessungen

Tab. 9 Abmessungen der DOAL-Beleuchtung [in Millimetern]

DOAL 100

A

123.8

B

120

C

168.7

D

18.2

E

100

F

100

G, H

50

Bohrungen

M5 x 6

VDC [V]

24

I [mA]

570 | 945

Farbe

R

G, B, W

Gewicht

1.2 kg

../../_images/DOAL_dimensions.png

Abb. 39 DOAL-Abmessungen

Montage des Auflichts

Das Auflicht muss anhand der vier M5-Gewindebohrungen in Bezug zur Asycube-Platte zentriert montiert werden. Die Kamera sollte ebenfalls zentriert montiert werden, sodass die Spitze des Objektivs 5-10 mm über dem Auflicht liegt.

Flat dome (Asycube 240/380)

Abmessungen

Tab. 10 Abmessungen der Flat dome-Beleuchtung [in Millimetern]

Flat dome 400x300

Flat dome 500x400

A

43.2

43.2

B

340

440

C

440

540

D

Ø40

Ø50

E

35

35

F

25

25

G, H

45

45

Bohrungen

M6 x 5

M6 x 5

VDC [V]

24

24

I [mA]

3500

3500

Farbe

R, G, B, W, IR

R, W

Gewicht

4.3 kg

7 kg

../../_images/flat_dome_dimensions.png

Abb. 40 Abmessungen der Flat dome-Beleuchtung

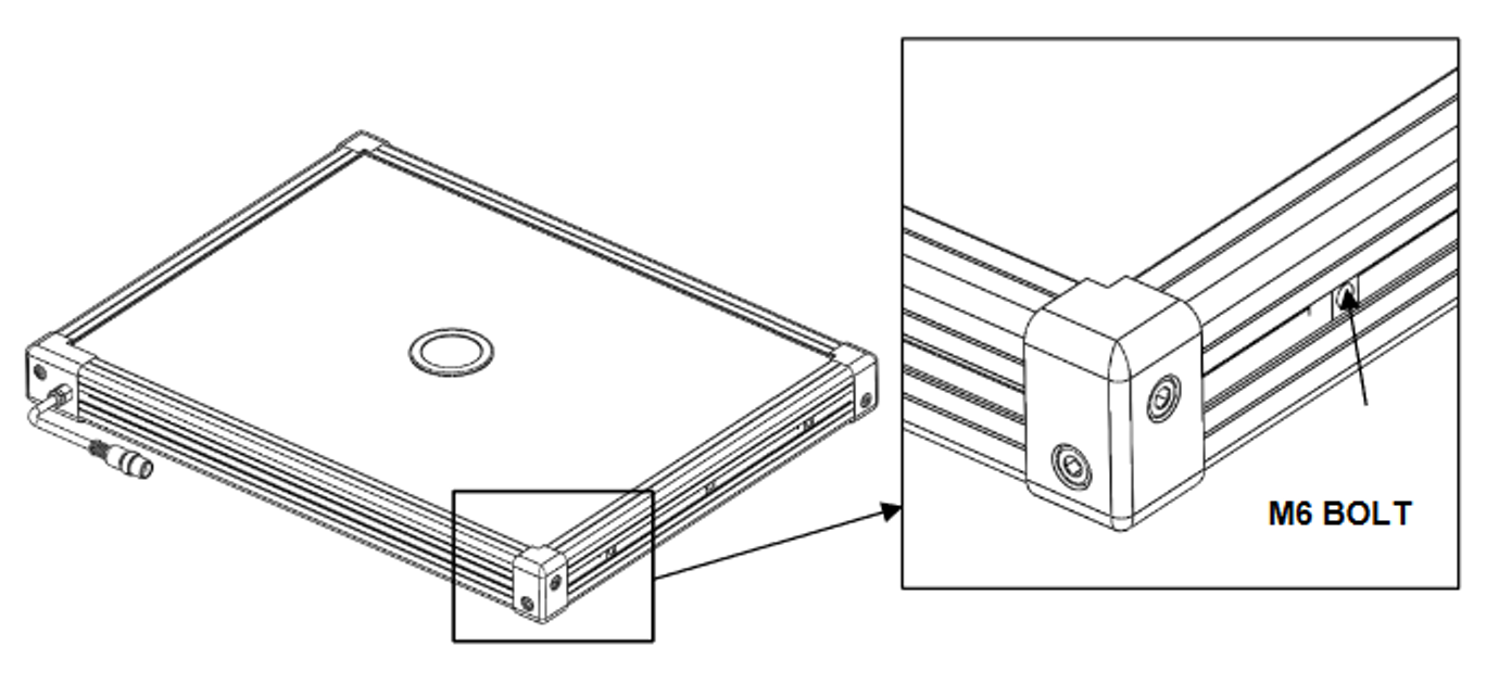
Montage des Auflichts

Die Flat dome-Beleuchtung wird mit sechs M6-Riegel geliefert, die frei in die Schiene im gesamten Rahmen (auf jeder Seite) eingesetzt werden können. Das Auflicht muss in Bezug auf die Asycube-Platte zentriert montiert werden. Die Kamera sollte ebenfalls zentriert montiert werden, sodass die Spitze des Objektivs 5-10 mm über dem Auflicht liegt.

../../_images/flat_dome_mounting.png

Abb. 41 Montagebohrungen der Flat dome-Beleuchtung

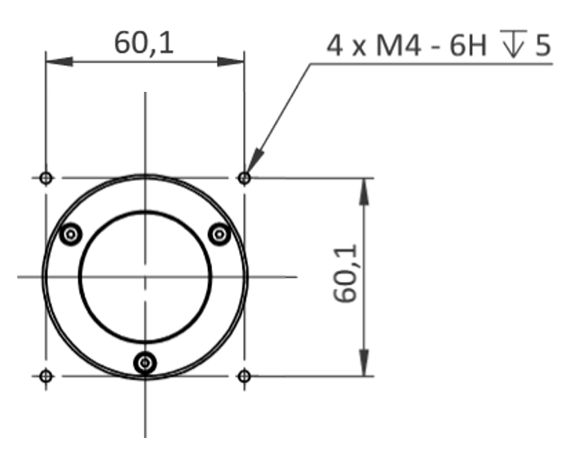
Zur Montage der Kamerahalterung können Sie die vier M4-Gewinde rund um die Kameraöffnung verwenden.

Wichtig

Die Länge der zur Befestigung der Kamera verwendeten Schrauben sollte so gewählt sein, dass sie nicht mehr als 4,5 mm in das M4-Gewinde eindringen. Die Verwendung zu langer Schrauben kann Ihr Auflicht und Ihren EYE+ Controller beschädigen.

../../_images/flat_dome_camera_mounting.png

Abb. 42 Montagebohrungen für die Kamerahalterung an der Flat dome-Beleuchtung

Balkenbeleuchtung (Asycube 530)

Abmessungen

Tab. 11 Abmessungen der Balkenbeleuchtung

Balkenbeleuchtung

VDC [V]

24

I [mA]

3200

Farbe

R

Gewicht

6.5 kg

../../_images/Bars_lighting_dimensions.png

Abb. 43 Abmessungen der Balkenbeleuchtung

Montage des Auflichts

Die Balkenbeleuchtung wird mit einer Halterung zur Befestigung der Kamera, der Kabel und des M12-Steckers geliefert.