Éclairage frontal

Bien qu’il soit facultatif, un éclairage frontal peut s’avérer nécessaire pour certaines applications. C’est généralement le cas lorsque la surface supérieure de la pièce doit être analysée afin d’identifier correctement les pièces à prélever.

../../_images/type_of_lighting_available.png

Fig. 38 Types d’éclairage disponibles

Remarque

Pour plus d’informations, voir la section Effet de chaque type d’éclairage.

Le type d’éclairage frontal dépend de la taille de votre Asycube.

Tableau 8 Éclairage de l’Asycube

Modèle d’Asycube

Type d’éclairage frontal

Asycube 50

DOAL 100

Asycube 80

DOAL 100

Asycube 240

Flat dome 400x300

Asycube 380

Flat dome 500x400

Asycube 530

Barres d’éclairage

Remarque

Les modèles CAD sont inclus dans les Fichiers CAD Kit EYE+ disponibles au téléchargement.

DOAL (Asycube 50/80)

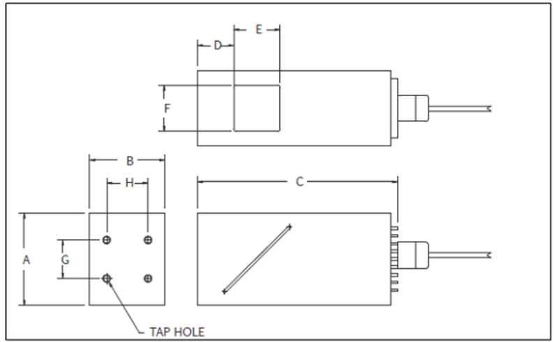
Dimensions

Tableau 9 Dimensions du DOAL [en millimètres]

DOAL 100

A

123.8

B

120

C

168.7

D

18.2

E

100

F

100

G, H

50

Trous

M5 x 6

VDC [V]

24

I [mA]

570 | 945

Couleur

R

G, B, W

Poids

1.2 kg

../../_images/DOAL_dimensions.png

Fig. 39 Dimensions du DOAL

Montage de l’éclairage frontal

L’éclairage frontal doit être monté au centre de la plateforme de l’Asycube à l’aide des quatre taraudages M5. La caméra doit également être montée de manière centrée, l’extrémité de l’objectif se trouvant 5 à 10 mm au-dessus de l’éclairage frontal.

Flat dome (Asycube 240/380)

Dimensions

Tableau 10 Dimensions du FLAT DOME [en millimètres]

Flat dome 400x300

Flat dome 500x400

A

43.2

43.2

B

340

440

C

440

540

D

Ø40

Ø50

E

35

35

F

25

25

G, H

45

45

Trous

M6 x 5

M6 x 5

VDC [V]

24

24

I [mA]

3500

3500

Couleur

R, G, B, W, IR

R, W

Poids

4.3 kg

7 kg

../../_images/flat_dome_dimensions.png

Fig. 40 Dimensions du Flat dome

Montage de l’éclairage frontal

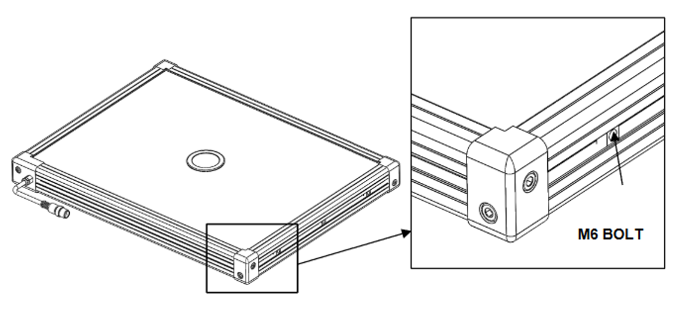
Le Flat dome est fourni avec six boulons M6 qui peuvent être insérés librement dans les écrous sur toute la circonférence (de chaque côté). L’éclairage frontal doit être monté de manière centrée par rapport à la plateforme de l’Asycube. La caméra doit également être montée au centre, l’extrémité de l’objectif se trouvant 5 à 10 mm au-dessus de l’éclairage frontal.

../../_images/flat_dome_mounting.png

Fig. 41 Trous de fixation du Flat dome

Pour monter le support de la caméra, vous pouvez utiliser les quatre trous M4 situés autour de l’ouverture pour la caméra.

Important

Les vis utilisées pour fixer la caméra ne doivent pas pénétrer de plus de 4,5 mm en profondeur dans le filetage M4. L’utilisation de vis trop longues peut endommager votre éclairage frontal et votre EYE+ Controller.

../../_images/flat_dome_camera_mounting.png

Fig. 42 Trous de montage du support de la caméra sur le Flat dome

Barres d’éclairage (Asycube 530)

Dimensions

Tableau 11 Dimensions des barres d’éclairage

Barres d’éclairage

VDC [V]

24

I [mA]

3200

Couleur

R

Poids

6.5 kg

../../_images/Bars_lighting_dimensions.png

Fig. 43 Dimensions des barres d’éclairage

Montage de l’éclairage frontal

Les barres sont fournies avec le support de montage pour fixer la caméra, les câbles et le connecteur M12.