Warning

You are reading an old version of this documentation. If you want up-to-date information, please have a look at 5.4 .

Frontlight

While it is optional, for some applications a frontlight might be required. This is typically the case when the upper surface of the part must be observed in order to correctly identify pickable parts.

../../_images/type_of_lighting_available.png

Fig. 38 Types of available lighting

Note

Refer to section Effect of each type of lighting for more information.

The type of frontlight depends on the size of your Asycube.

Table 8 Asycube lighting

Asycube model

Frontlight type

Asycube 50

DOAL 100

Asycube 80

DOAL 100

Asycube 240

Flat dome 400x300

Asycube 380

Flat dome 500x400

Asycube 530

Bars lighting

Note

CAD models are included in the EYE+ kit CAD files available for download.

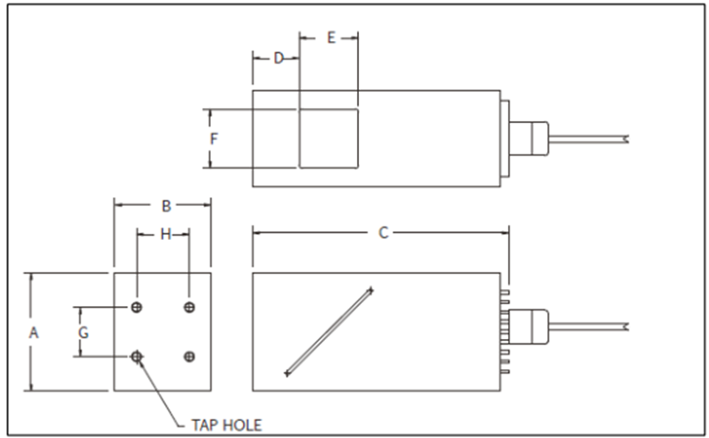
DOAL (Asycube 50/80)

Dimensions

Table 9 DOAL dimensions [in millimeters]

DOAL 100

A

123.8

B

120

C

168.7

D

18.2

E

100

F

100

G, H

50

Holes

M5 x 6

VDC [V]

24

I [mA]

570 | 945

Color

R

G, B, W

Weight

1.2 kg

../../_images/DOAL_dimensions.png

Fig. 39 DOAL dimensions

Mounting the frontlight

The frontlight must be mounted centrally with respect to the Asycube plate using the four M5 tap holes. The camera should be mounted centrally as well, with the tip of the lens 5-10mm above the frontlight.

Flat dome (Asycube 240/380)

Dimensions

Table 10 Flat dome dimensions [in millimeters]

Flat dome 400x300

Flat dome 500x400

A

43.2

43.2

B

340

440

C

440

540

D

Ø40

Ø50

E

35

35

F

25

25

G, H

45

45

Holes

M6 x 5

M6 x 5

VDC [V]

24

24

I [mA]

3500

3500

Color

R, G, B, W, IR

R, W

Weight

4.3 kg

7 kg

../../_images/flat_dome_dimensions.png

Fig. 40 Flat dome dimensions

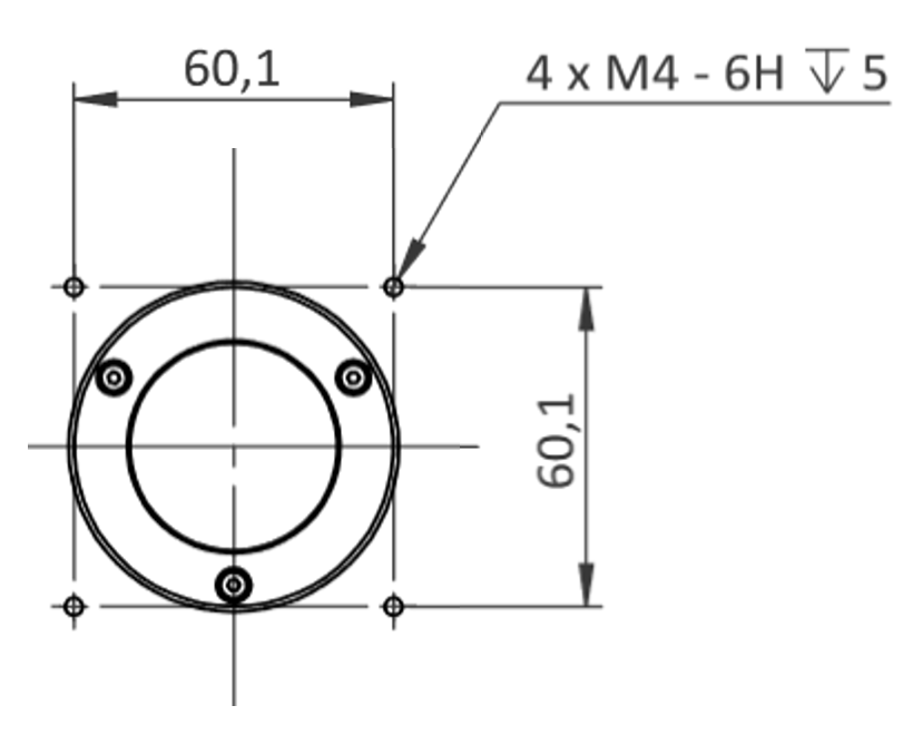
Mounting the frontlight

The flat dome is supplied with six M6 bolts which can be inserted freely in the nuts around the whole circumference (on each side). The frontlight must be mounted centrally with respect to the Asycube plate. The camera should be mounted centrally as well, with the tip of the lens 5-10mm above the frontlight.

../../_images/flat_dome_mounting.png

Fig. 41 Flat dome mounting holes

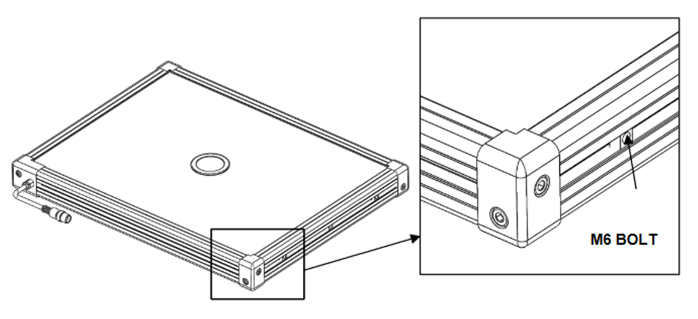
To mount the camera support, you can use the four M4 holes placed around the camera opening.

Important

The length of the screws used to secure the camera mounting should not penetrate more than 4.5mm within the M4 thread. Using screws that are too long can damage your frontlight and EYE+ Controller.

../../_images/flat_dome_camera_mounting.png

Fig. 42 Flat dome camera support mounting holes

Bars lighting (Asycube 530)

Dimensions

Table 11 Bars lighting dimensions

Bars lighting

VDC [V]

24

I [mA]

3200

Color

R

Weight

6.5 kg

../../_images/Bars_lighting_dimensions.png

Fig. 43 Bar light dimensions

Mounting the frontlight

The bar lighting is supplied with a mounting bracket to fix the camera, the cables and the M12 connector.